MTD Troy Bilt Bronco 42 deck tension spring question Tractor Forum View larger
  • Troy bilt bronco drive belt diagram shop
  • Troy bilt super bronco riding mower
  • Troy bilt bronco drive belt diagram shop
  • Troy Bilt 21D 65M8711 Super Bronco 2016 Transmission Assembly
  • Troy Bilt Bronco Drive spring location Tractor Forum

Troy bilt bronco drive belt diagram shop

Troy bilt bronco drive belt diagram shop, MTD Troy Bilt Bronco 42 deck tension spring question Tractor Forum shop

$78.00

SAVE 50% OFF

$39.00

- +

Add to wishlist


Frasers Plus

$0 today, followed by 3 monthly payments of $13.00, interest free. Read More


Troy bilt bronco drive belt diagram shop

MTD Troy Bilt Bronco 42 deck tension spring question Tractor Forum

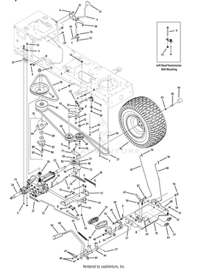
Troy Bilt 13A878BS066 42 X Troy Bilt Bronco 42 Lawn Tractor Auto 2020 Manual PTO Parts Lookup with Diagrams PartsTree

Troy bilt super bronco riding mower

Troy Bilt 13AV60KG011 Bronco 2008 Lawn Tractor Partswarehouse

Troy Bilt 21D 65M8711 Super Bronco 2016 Transmission Assembly

Troy Bilt Bronco Drive spring location Tractor Forum

Description

Product Name: Troy bilt bronco drive belt diagram shop
Troy Bilt 13WX78KS011 Bronco 2011 Parts Diagram for Drive Transmission shop, BELT DECK 42 LT 5 754 04060B Original Equipment Genuine Part OEM shop, Troy Bilt Bronco 13WV78KS211 2016 Parts Diagram for Drive shop, Troybilt Drive Belt Seems Too Loose shop, Page 23 of Troy Bilt Lawn Mower LTX 2146 User Guide ManualsOnline shop, Riding Mower Hydrostatic Transmission Belt Original Equipment Genuine Part OEM shop, How to Install Transmission Drive Belt TroyBilt Bronco Tractor YouTube shop, Riding Mower 46 inch Deck Belt 954 04219 Troy Bilt Canada shop, 65KB 2001 null null null null null null null 1 2003 null S4HFVuW8 K WxM shop, Troy Bilt 12214 Troy Bilt Bronco Rear Tine Tiller Engine Engine Brackets And Belt Drive Systems Parts Lookup with Diagrams PartsTree shop, Replace Your Troy Bilt Drive Belt the EASY Way Tutorial shop, Troy Bilt 13AL78BS023 Bronco 42 Auto 2021 Drive Shank s Lawn Troy Bilt shop, How to replace a drive belt on a troy bilt bronco lawn mower YouTube shop, Troy Bilt 14A7A3KA011 Super Bronco 54 GT FAB 2016 Parts Diagram for Deck shop, Riding Mower Lower Transmission Belt 954 0467A Cub Cadet Canada shop, Troy Bilt 13BX60KH011 Super Bronco 2009 Drive System Shank s Lawn Troy Bilt shop, Troy Bilt 21A 65M1011 Super Bronco CRT Roto Tiller 2008 Drive System shop, 2008 Troybilt bronco riding mower gas drivebelt popping off after new install. Any ideas No belt keep in this area. All look ok r lawnmowers shop, Troy Bilt Yard Machine Drive Belts Replacement 7 Speed Mower shop, Troy Bilt TB42 13A8A1KS066 2016 Parts Diagram for Drive shop, MTD Troy Bilt Bronco 42 deck tension spring question Tractor Forum shop, Troy Bilt 13A878BS066 42 X Troy Bilt Bronco 42 Lawn Tractor Auto 2020 Manual PTO Parts Lookup with Diagrams PartsTree shop, Troy bilt super bronco riding mower shop, Troy Bilt 13AV60KG011 Bronco 2008 Lawn Tractor Partswarehouse shop, Troy Bilt 21D 65M8711 Super Bronco 2016 Transmission Assembly shop, Troy Bilt Bronco Drive spring location Tractor Forum shop, Troy Bilt Riding Lawn Mower Model 13AX78KS011 MTD Parts shop, Troy Bilt 13AL78BS023 Bronco 42 Auto 2021 Drive Shank s Lawn Troy Bilt shop, Troybilt Bronco 2013 Drive Belt Problems shop, Troy Bilt 13BX60TG766 Super Bronco 2007 Parts Diagram for Drive Assembly shop, BELT V TRANS DRV 5L X 40.75 Original Equipment Genuine Part OEM shop, Troy Bilt 13AX60TG766 Automatic Lawn Tractor Super Bronco Model 60TG OEM Replacement Parts From eReplacementParts shop, 2014 Super Bronco XP 50 My Tractor Forum shop, Troy Bilt Bronco deck belt size r lawnmowers shop, Troy Bilt 13BX60TG766 Super Bronco 2007 Transmission Assembly shop.

Troy bilt bronco drive belt diagram shop