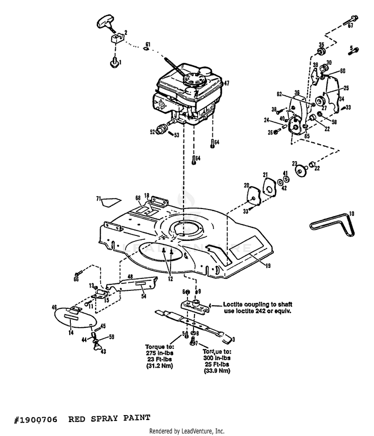
Troy Bilt 8654R 4hp 22 Self Propelled S N 340140400101 340140599999 Mulching Mower Partswarehouse View larger
  • Troy bilt rider mower parts shop
  • Troy Bilt Pony Riding Mower Parts
  • Troy bilt rider mower parts shop
  • Replacement Parts Service Troy Bilt CA
  • Troy Bilt Riding Lawn Mower Model 13AX61KG011 MTD Parts

Troy bilt rider mower parts shop

Troy bilt rider mower parts shop, Troy Bilt 8654R 4hp 22 Self Propelled S N 340140400101 340140599999 Mulching Mower Partswarehouse shop

$104.00

SAVE 50% OFF

$52.00

- +

Add to wishlist


Frasers Plus

$0 today, followed by 3 monthly payments of $17.33, interest free. Read More


Troy bilt rider mower parts shop

Troy Bilt 8654R 4hp 22 Self Propelled S N 340140400101 340140599999 Mulching Mower Partswarehouse

Mustang Z42 Zero Turn Mower

Troy Bilt Pony Riding Mower Parts

Troy Bilt TB 30 B 13BC26JD023 Troy Bilt 30 Rear Engine Riding Mower 2022 Drive Parts Lookup with Diagrams PartsTree

Replacement Parts Service Troy Bilt CA

Troy Bilt Riding Lawn Mower Model 13AX61KG011 MTD Parts

Description

Product Name: Troy bilt rider mower parts shop
Bronco 46B Riding Lawn Mower shop, TB30E XP Battery Powered Compact Riding Mower shop, Troy Bilt TB30B Riding Lawn Mower Troy Bilt US shop, Troy Bilt 13AC26JD011 2012 TB30 R Neighborhood Rider 13AC26JD011 2012 Parts Diagram for Mower Deck shop, Troy Bilt Pony 42 Riding Lawn Mower Troy Bilt US shop, Troy Bilt 13AAA1KT066 TB2246 2015 Parts Diagram for Mower Deck 46 Inch shop, Riding Mower Lower Transmission Belt for 42 inch and 46 inch Cutting Decks Original Equipment Genuine Part OEM shop, Troy Bilt Super Bronco 50K FAB XP Riding Lawn Mower Troy Bilt US shop, Replacement Parts Service Troy Bilt CA shop, Lawn Mower Parts Manual Fits Troy bilt Hydrostatic Super Bronco 50 54 Deck 769 shop, 3 in 1 Blade for 30 inch Cutting Decks shop, 13AJ609G766 Troy Bilt Bronco Lawn Tractor 2004 Parts Lookup with Diagrams PartsTree shop, 46 inch All Season Plow Blade shop, Bronco 42X Riding Lawn Mower shop, Troy Bilt Riding Lawn Mower Model 13AN77TG711 MTD Parts shop, PartsTree Home of OEM Parts for Outdoor Power Equipment shop, Replacement Parts Service Troy Bilt CA shop, Troy Bilt 13WV78KS011 Transmatic Lawn Tractor Bronco OEM Replacement Parts From eReplacementParts shop, Replacement Parts Service Troy Bilt CA shop, Troy Bilt Riding Lawn Mower Model 13BC26JD211 MTD Parts shop, Troy Bilt 8654R 4hp 22 Self Propelled S N 340140400101 340140599999 Mulching Mower Partswarehouse shop, Mustang Z42 Zero Turn Mower shop, Troy Bilt Pony Riding Mower Parts shop, Troy Bilt TB 30 B 13BC26JD023 Troy Bilt 30 Rear Engine Riding Mower 2022 Drive Parts Lookup with Diagrams PartsTree shop, Replacement Parts Service Troy Bilt CA shop, Troy Bilt Riding Lawn Mower Model 13AX61KG011 MTD Parts shop, Parts question for Troy bilt riding mower r lawnmowers shop, Troy Bilt 13AC26JD011 2012 TB30 R Neighborhood Rider 13AC26JD011 2012 Parts Diagram for Drive System shop, Lawn Tractor Drive Belt Replacement On Troy Bilt MTD Cub Cadet Mowers Step By Step Video shop, Riding Lawn Mower Parts shop, Riding Mower 46 inch Deck Belt shop, Troy Bilt 13CC26JD011 TB30R 2015 TB30R Neighborhood Rider 13CC26JD011 2015 Front End Steering shop, Troy Bilt Pony Lawn Tractor Review shop, Get OEM Equivalent Troy Bilt Belt Online UDC Parts shop, Troy Bilt TB 30 R 13A721JD066 Troy Bilt 30 Rear Engine Riding Mower Hydro Drive 2019 Pedals Parts Lookup with Diagrams PartsTree shop.

Troy bilt rider mower parts shop